輝芒微電子(FMD)憑借“高集成 + 超低功耗 + 車規級可靠性”三大基因,為美甲磨甲器帶來一次“芯片級”革新:一顆 MCU 完成“電機伺服 + 鋰電管理 + 觸摸滑調 + 智能保護”四大功能,整機待機電流 < 1 μA,PCB 面積縮小 45 %,成本直降 30 %。
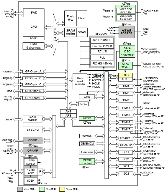
? 輝芒微 8/32 位 MCU(集成 12-bit ADC、6 路 PWM、運放、LDO)
? 無刷直流電機(BLDC)
? 單節 3.7 V 500 mAh 鋰電 + NTC
? 電容式觸摸滑條(5 點)
? RGB 指示環 + 蜂鳴器
? USB-C 5 V 充電接口

? 觸摸滑條 0–100 % 線性調速,滑動一次即可精準定位 30 000 rpm;
? 硬件 PWM 互補輸出 + 死區插入,直接驅動半橋 MOSFET,省掉外置門極驅動器。
? 開機自檢電機 KV 值,匹配“修甲型/卸甲型/拋光型”三種曲線;
? 輕觸滑條 2 s 進入“AI 記憶”,下次開機自動調用用戶習慣。
? 運行 120 μA/MHz,Standby 0.8 μA,Ship Mode 0.1 μA,空運 90 天不掉電;
? 內置 12-bit ADC 每 200 ms 輪詢電池電壓,3.0 V 自動降功率,2.8 V 關機并保存運行參數到 True EEPROM(100 萬次擦寫)。
? 堵轉保護:電機電流 > 1.2 A 立即關閉,蜂鳴器提示;
? 溫度保護:NTC 45 ℃ 降功率,55 ℃ 關機;
? 充電保護:恒壓 ±1 %,恒流 ±3 %,帶 JEITA 溫度折返曲線。
? 環形 RGB 燈帶實時顯示轉速/電量/異常;
? 滑條雙擊可鎖定/解鎖,防止誤觸;
? 蜂鳴器 3D 腔體音效,提示音清脆不刺耳。

| 功能模塊 | MCU 資源 | 引腳占用 | 備注 |
|---|---|---|---|
| 三相 BLDC | TIM1 6 路 PWM | 6 | 互補輸出,硬件死區 |
| 電池采樣 | ADC CH0 | 1 | 分壓 1 MΩ + 100 kΩ |
| NTC 溫度 | ADC CH1 | 1 | 10 kΩ NTC |
| 觸摸滑條 | Touch Engine | 5 | 42 路矩陣,任意映射 |
| RGB 驅動 | TIM2 3 路 PWM | 3 | 直接推 20 mA LED |
| 蜂鳴器 | TIM3 PWM/IO | 1 | 2 kHz 方波 |
| 充電 MOSFET | GPIO + 運放 | 2 | 運放做電流采樣放大 |
| SWD 調試 | SWDIO / SWCLK | 2 | 預留測試點 |
| 項目 | 傳統分立方案 | 輝芒微單芯片 | 節省 |
|---|---|---|---|
| 主控 + 驅動 | 2 顆 | 1 顆 | ¥2.3 |
| 外圍器件 | 26 個 | 14 個 | ¥1.1 |
| PCB 面積 | 18 mm×22 mm | 12 mm×15 mm | 45 % |
| 待機功耗 | 180 μA | 0.8 μA | 225× |
FMD IDE:基于 VS Code 插件,支持 C/C++ 與圖形化配置;
FMD-Link 調試器:SWD 2 線,下載速度 128 kbps;
FMDTouchTool:5 分鐘完成 5 點滑條參數整定;
量產燒錄:支持在線 ISP + 離線量產燒錄座,加密位防抄板。

8 位 FT61F14x:4–8 KB Flash,12-bit ADC,適合成本敏感型;
32 位 :48 MHz,6 路 PWM,適合需要 USB 升級的高端款。
官方提供“磨甲器 DVK”參考設計,QFN32/TSSOP20 通腳兼容,直接貼片驗證。
HAL/LL 雙層庫與 STM32 90 % 寄存器同名,算法例程(PID、滑條濾波)即拷即用。
? 電動打磨筆:降低 KV 值,適配 3.3 V 鋰電,做微雕工藝;
? 寵物磨甲器:調低最高轉速至 8 000 rpm,增加靜音模式;
? 美甲光療機:復用觸摸滑條 + RGB,實現 30 s/60 s/90 s 固化計時。
從“粗獷型”到“智能型”,美甲磨甲器正在經歷一場由芯片驅動的體驗革命。輝芒微 MCU 用一顆“小個頭”完成電機、電源、觸摸、光效的 All-in-One 整合,讓國產美甲設備第一次在全球供應鏈中擁有了“定義權”。